multimeter electric circuit diagram symbol

electrical - Multimeter - Basic Functionality and Howto - Motor Vehicle. 15 Pictures about electrical - Multimeter - Basic Functionality and Howto - Motor Vehicle : Simple Circuit Diagram Multimeter ~ Darude Karpwv, Voltmeter Symbol - ClipArt Best and also Simple Circuit Diagram Multimeter ~ Darude Karpwv.

Electrical - Multimeter - Basic Functionality And Howto - Motor Vehicle

electrical - Multimeter - Basic Functionality and Howto - Motor Vehicle mechanics.stackexchange.com

multimeter circuit ohmmeter resistance electrical parallel functionality howto basic digital should unpowered must stack motor

Simple Circuit Diagram Multimeter ~ Darude Karpwv

Simple Circuit Diagram Multimeter ~ Darude Karpwv daruderingtonekarpwv.blogspot.com

multimeter netid champaign teammate

Lessons In Electric Circuits -- Volume VI (Experiments) - Chapter 2

Lessons In Electric Circuits -- Volume VI (Experiments) - Chapter 2 www.ibiblio.org

schematic voltmeter electric ohmmeter circuits resistance diagram circuit ammeter illustration nonlinear basic ohm lessons use diagrams exper kuphaldt ibiblio electriccircuits

Electric Circuit - Diagram, Symbol, Open And Closed Circuit - Teachoo

Electric Circuit - Diagram, Symbol, Open and Closed Circuit - Teachoo www.teachoo.com

diagram ammeter voltmeter teachoo resistor

☑ Circuit Diagram Of Inductor

☑ Circuit Diagram Of Inductor and-poker-and-room-promotion-casino.blogspot.com

inductor lchk

Diagram Of Electronics Printed Circuit Board And Cable Of Multimeter

Diagram Of Electronics Printed Circuit Board And Cable Of Multimeter www.dreamstime.com

multimeter

Make Your Own Multimeter | DC Circuits | Electronics Textbook

Make Your Own Multimeter | DC Circuits | Electronics Textbook allaboutcircuits.com

multimeter circuits diagram schematic electric own voltmeter dc drawing ammeter electrical range calibration explanation ma socket

Lessons In Electric Circuits -- Volume VI (Experiments) - Chapter 3

Lessons In Electric Circuits -- Volume VI (Experiments) - Chapter 3 www.ibiblio.org

meter multimeter analog circuits diagram schematic electric own voltmeter dc drawing ammeter electrical internal range calibration explanation ma socket

Voltmeter Symbol - ClipArt Best

Voltmeter Symbol - ClipArt Best www.clipartbest.com

voltmeter symbol parallel electric connected measure voltage current

Electrical Engineering World: Digital Multi-Meter (DDM) Parts

Electrical Engineering World: Digital Multi-Meter (DDM) Parts electrical-engineering-world1.blogspot.com

multimeter digital electrical engineering multi meter parts construction symbols ddm electronics cheat figures kothagudem iti dr electronic check ee resetsg

KILOWATT HOUR METER STATIC SWITCH WITH 1 INPUT & 1 OUTPUT STATIC SWITCH

KILOWATT HOUR METER STATIC SWITCH WITH 1 INPUT & 1 OUTPUT STATIC SWITCH www.pinterest.com

symbol capacitor symbols electrolytic divider electrical cad

Voltmeter Symbol - ClipArt Best

Voltmeter Symbol - ClipArt Best www.clipartbest.com

symbol voltmeter circuit symbols electronic schematic diagram components physics ammeter voltage simple form

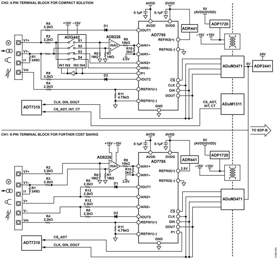
Electric Meters | Analog Devices

Electric Meters | Analog Devices www.analog.com

How Do You Draw A Circuit Diagram

How Do You Draw A Circuit Diagram www.mikrora.com

voltmeter

6.3 Current Divider Circuits And The Current Divider Formula

6.3 Current Divider Circuits and the Current Divider Formula www.technocrazed.com

Inductor lchk. Diagram ammeter voltmeter teachoo resistor. Voltmeter symbol parallel electric connected measure voltage current