old electric meter diagram

Wiring diagram for 3 way switch: Table Fan Diagram. 17 Pictures about Wiring diagram for 3 way switch: Table Fan Diagram : How to Inspect Electric Meters - Electrical capacity or size: How to, Electric Meter Wiring Diagram Uk - SHERRODSTAMPS and also How to read your electric meter - YouTube.

Wiring Diagram For 3 Way Switch: Table Fan Diagram

Wiring diagram for 3 way switch: Table Fan Diagram 3wayss.blogspot.com

fan diagram table wiring circuit control fans switch diagrams remote way operated ceiling volt clap wire amplifier stand circuits circuitdiagramimages

Electric Meters | Analog Devices

Electric Meters | Analog Devices www.analog.com

analog circuits thn

The Main Electrical Panel & Subpanels

The Main Electrical Panel & Subpanels www.hometips.com

electrical panel main wiring diagram meter box conduit service roof entrance electric overhead system drawing subpanels fuse power masthead wires

Electric Meters | Analog Devices

Electric Meters | Analog Devices www.analog.com

China Parts Of Electric Meter - China Meter, Electric Meter

China Parts Of Electric Meter - China meter, electric meter www.made-in-china.com

meter electric parts china

Patent US6538577 - Electronic Electric Meter For Networked Meter

Patent US6538577 - Electronic electric meter for networked meter www.google.com

patents

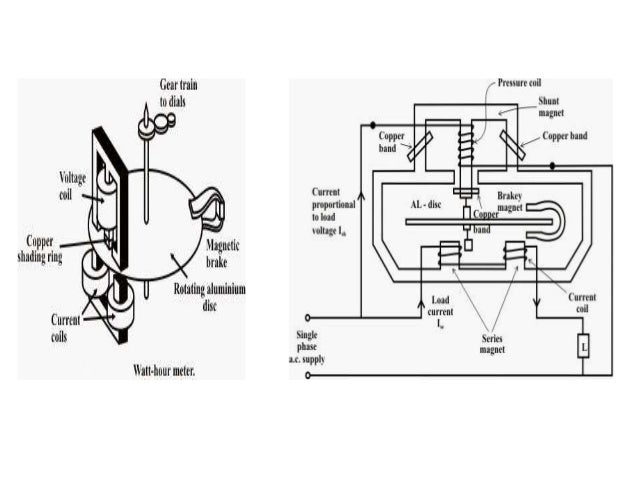
Electronic Analog Meters

Electronic analog meters www.slideshare.net

Home Energy Meter Wiring Diagram

Home Energy Meter Wiring Diagram wiringdiagramall.blogspot.com

How To Upgrade An Electric Meter To 200-Amp Service - This Old House

How to Upgrade an Electric Meter to 200-Amp Service - This Old House www.youtube.com

meter service amp 200 upgrade electric

Electric Meter With Circuit Breakers In A Metal Box 3d Illustration

Electric Meter With Circuit Breakers In A Metal Box 3d Illustration www.istockphoto.com

meter electric box circuit metal breakers 3d illustration clip illustrations finance industry business vector ukraine dial economy

A Missing Jumper Wire At The Water Meter

A Missing Jumper Wire At The Water Meter structuretech1.com

Generator Voltage Regulator Wiring Question ; Amp Gauge | IH8MUD Forum

generator voltage regulator wiring question ; Amp gauge | IH8MUD Forum forum.ih8mud.com

regulator voltage generator amp wiring gauge alternator wire fj40 schematics question schematic toyota ih8mud vs coolerman 1962 1970 electrical

Global Energy | Electrical Parts

Global Energy | Electrical Parts www.globalenergyparts.com

electrical

How To Read Your Electric Meter - YouTube

How to read your electric meter - YouTube www.youtube.com

read meter electric kwh reading meters household power

How To Inspect Electric Meters - Electrical Capacity Or Size: How To

How to Inspect Electric Meters - Electrical capacity or size: How to inspectapedia.com

electric meter electrical base connection arcing meters service mounts bases damage present wanted field where ampacity inspectapedia

Electric Meter Wiring Diagram Uk - SHERRODSTAMPS

Electric Meter Wiring Diagram Uk - SHERRODSTAMPS sherrodstamps.blogspot.com

housed

Automatic Meter Reading (amr)

Automatic Meter reading (amr) www.slideshare.net

amr gsm

Electric meter electrical base connection arcing meters service mounts bases damage present wanted field where ampacity inspectapedia. How to inspect electric meters. Patent us6538577