ryobi pole saw electric diagram

OEM Ryobi Pole Saw Hex Bolt [994019001] | Ships Today | Fix.com. 9 Pictures about OEM Ryobi Pole Saw Hex Bolt [994019001] | Ships Today | Fix.com : Ryobi RY40050 Pole Saw Attachment Parts and Accessories- PartsWarehouse, Ryobi Electric Pole Saw | RY43160 | eReplacementParts.com and also OEM Ryobi Pole Saw Hex Bolt [994019001] | Ships Today | Fix.com.

OEM Ryobi Pole Saw Hex Bolt [994019001] | Ships Today | Fix.com

OEM Ryobi Pole Saw Hex Bolt [994019001] | Ships Today | Fix.com www.fix.com

ryobi

OEM Ryobi Pole Saw Chain Adjustment Assembly [994067001] | Ships Today

OEM Ryobi Pole Saw Chain Adjustment Assembly [994067001] | Ships Today www.fix.com

adjustment ryobi

CRAFTSMAN CIRCULAR SAW Parts | Model 17210855 | Sears PartsDirect

CRAFTSMAN CIRCULAR SAW Parts | Model 17210855 | Sears PartsDirect www.searspartsdirect.com

circular saw craftsman diagram parts sears

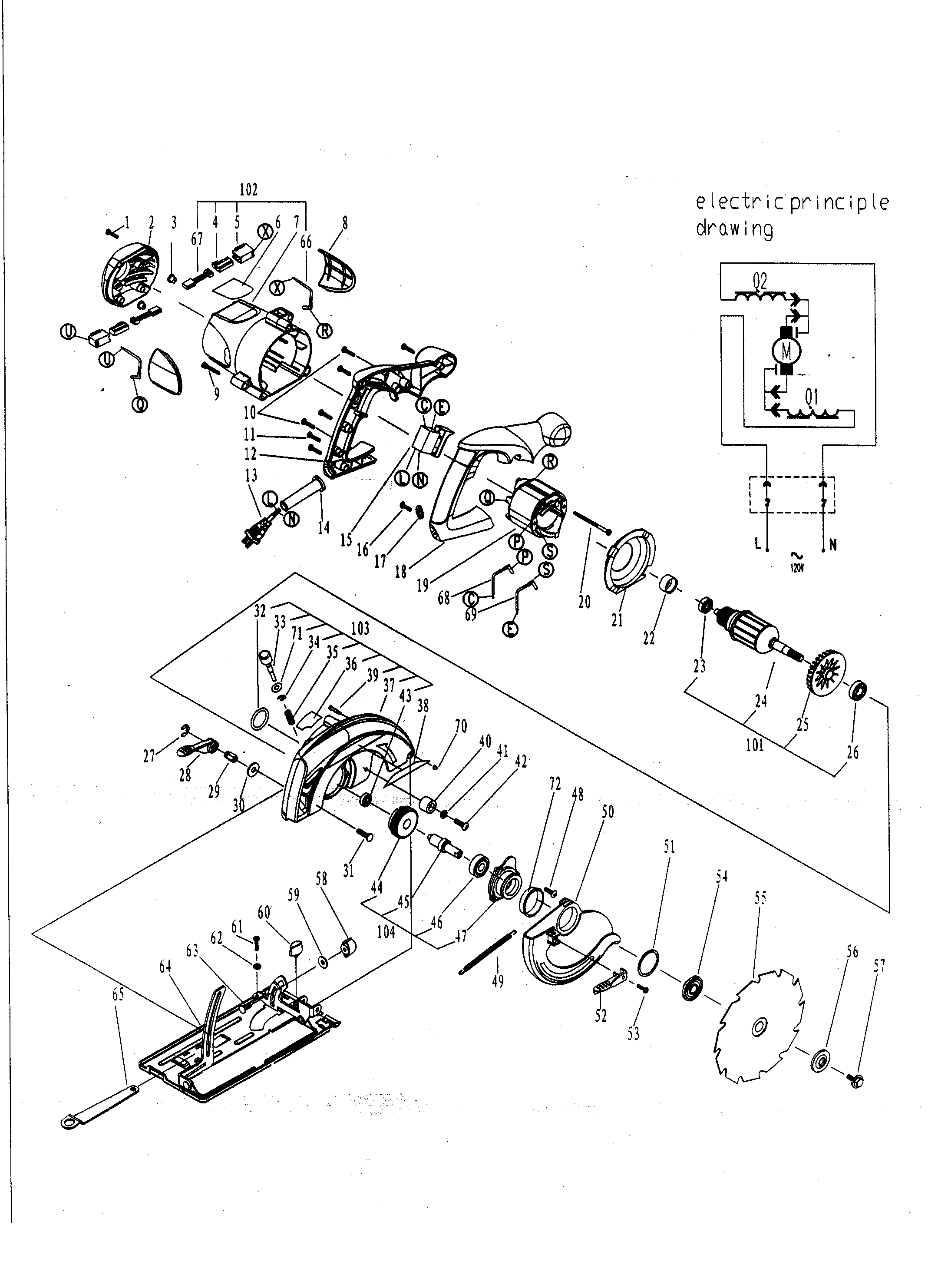
Ryobi Electric Pole Saw | RY43160 | EReplacementParts.com

Ryobi Electric Pole Saw | RY43160 | eReplacementParts.com www.ereplacementparts.com

ryobi saw pole parts electric diagram list ereplacementparts fig

27 Remington Pole Saw Parts Diagram - Wiring Database 2020

27 Remington Pole Saw Parts Diagram - Wiring Database 2020 rachelleogyaz.blogspot.com

remington parts pole saw diagram desa rps manual users

Ryobi RY40050 Pole Saw Attachment Parts And Accessories- PartsWarehouse

Ryobi RY40050 Pole Saw Attachment Parts and Accessories- PartsWarehouse www.partswarehouse.com

ryobi pole saw attachment parts partswarehouse assembly screw

Ryobi RY43161 Parts List And Diagram : EReplacementParts.com

Ryobi RY43161 Parts List and Diagram : eReplacementParts.com www.ereplacementparts.com

ryobi ereplacementparts

Ryobi OEM Parts. Motor Replacement For RY40051 Cordless 40v 10"in Pole

Ryobi OEM Parts. Motor Replacement For RY40051 Cordless 40v 10"in Pole www.ebay.com

ryobi 40v

31 Remington Pole Saw Parts Diagram - Free Wiring Diagram Source

31 Remington Pole Saw Parts Diagram - Free Wiring Diagram Source mickygurlz.blogspot.com

pole diagram parts remington saw assembly electric mtd

Ryobi ry40050 pole saw attachment parts and accessories- partswarehouse. Circular saw craftsman diagram parts sears. Ryobi oem parts. motor replacement for ry40051 cordless 40v 10"in pole