subaru legacy engine wiring diagram

Subaru Legacy Starter Wiring Diagram | schematic and wiring diagram. 17 Images about Subaru Legacy Starter Wiring Diagram | schematic and wiring diagram : Subaru Legacy Starter Wiring Diagram | schematic and wiring diagram, 1995 Subaru Legacy Wiring Diagram - Wiring Diagram Schema and also Subaru Legacy Service Manual - Engine electrical system wiring diagram.

Subaru Legacy Starter Wiring Diagram | Schematic And Wiring Diagram

Subaru Legacy Starter Wiring Diagram | schematic and wiring diagram schematicandwiringdiagram.blogspot.com

Repair Guides

Repair Guides www.autozone.com

wiring 1990 diagrams subaru repair loyale guide fig models body 1985

2001 SUBARU LEGACY WIRING DIAGRAM AND ENGINE ELECTRICAL SYSTEM ~ Wiring

2001 SUBARU LEGACY WIRING DIAGRAM AND ENGINE ELECTRICAL SYSTEM ~ Wiring freewiringdiagram.blogspot.com

subaru wiring diagram 2001 legacy 2009

[WR_5478] 2005 Subaru Legacy Turbo Vacuum Diagram Free Diagram

[WR_5478] 2005 Subaru Legacy Turbo Vacuum Diagram Free Diagram inifo.hendil.mohammedshrine.org

Push Button Start For A Race Car, Without Key. - ScoobyNet.com - Subaru

Push button start for a race car, without key. - ScoobyNet.com - Subaru www.scoobynet.com

wiring diagram subaru engine dodge key start legacy electrical starting system 1987 push race button without d150 surrealmirage swap harnes

1995 Subaru Legacy Wiring Diagram - Wiring Diagram Schema

1995 Subaru Legacy Wiring Diagram - Wiring Diagram Schema kiona-machit.blogspot.com

outback s40 forester subaruoutback

1997 Subaru Legacy Wiring Diagram

1997 Subaru Legacy Wiring Diagram www.chanish.org

forester outback kenwood fuse excelon chanish instalar autoradio esterio valvulita teisco pinout t800 knipp justy raphaela

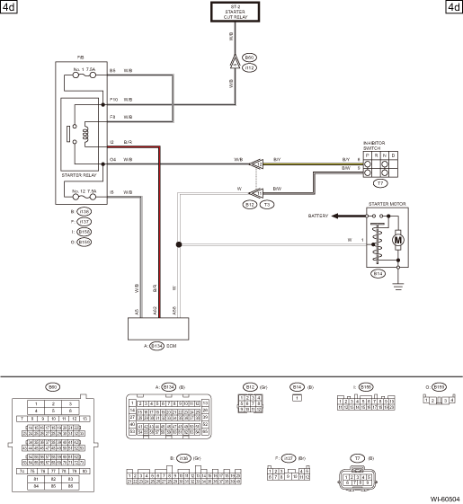
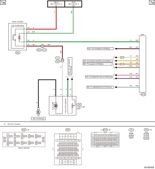
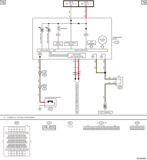
Subaru Legacy Service Manual - Engine Electrical System Wiring Diagram

Subaru Legacy Service Manual - Engine electrical system wiring diagram www.sulegacy.com

engine wiring system electrical diagram subaru legacy manual service push fb button start

2001 Subaru Legacy Wiring Diagram And Schematics? - ScoobyNet.com

2001 Subaru Legacy Wiring Diagram and schematics? - ScoobyNet.com www.scoobynet.com

wiring subaru diagram impreza 2001 schematics legacy scoobynet engine mt 0l diagrams

Surrealmirage - Subaru Legacy Swap Electrical Info & Notes

Surrealmirage - Subaru Legacy Swap Electrical info & notes surrealmirage.com

subaru engine electrical surrealmirage fuel wiring impreza swap diagram legacy ecu wrx svx forester baja outback diagrams 1992 control 1990

Subaru Legacy Service Manual - Engine Electrical System Wiring Diagram

Subaru Legacy Service Manual - Engine electrical system wiring diagram www.sulegacy.com

engine wiring system electrical diagram subaru legacy manual service ez push button start

Subaru Legacy Service Manual - Engine Electrical System Wiring Diagram

Subaru Legacy Service Manual - Engine electrical system wiring diagram www.sulegacy.com

engine wiring system electrical diagram subaru legacy manual service push fb button without

Repair-manuals: Subaru Legacy 1996 Repair Manual

repair-manuals: Subaru Legacy 1996 Repair Manual repair-manuals.blogspot.com

subaru legacy 1996 wiring repair manual manuals diagrams

2006 Subaru Outback Wiring Diagram | Subaru, Subaru Outback, Diagram

2006 Subaru Outback Wiring Diagram | Subaru, Subaru outback, Diagram www.pinterest.com

outback fuse prius forester tankbig

Subaru Legacy Service Manual - Engine Electrical System Wiring Diagram

Subaru Legacy Service Manual - Engine electrical system wiring diagram www.sulegacy.com

engine wiring system electrical diagram subaru legacy manual service ez push button start

Subaru Engine Diagram Impreza

Subaru Engine Diagram Impreza www.pinterest.com

Subaru Legacy Service Manual - Engine Electrical System Wiring Diagram

Subaru Legacy Service Manual - Engine electrical system wiring diagram www.sulegacy.com

engine wiring system electrical diagram subaru legacy manual service push fb button without

Subaru engine electrical surrealmirage fuel wiring impreza swap diagram legacy ecu wrx svx forester baja outback diagrams 1992 control 1990. 2001 subaru legacy wiring diagram and schematics?. [wr_5478] 2005 subaru legacy turbo vacuum diagram free diagram