toyota tundra 2001 electric diagram

RV.Net Open Roads Forum: Tech Issues: Slide Out Wiring. 9 Pics about RV.Net Open Roads Forum: Tech Issues: Slide Out Wiring : Toyota truck 3rd member compatability? - Pirate4x4.Com : 4x4 and Off, 2000 Toyota Tundra Wiring Diagram - Diagram Resource Gallery and also NISSAN ALTIMA Wiring Diagrams - Car Electrical Wiring Diagram.

RV.Net Open Roads Forum: Tech Issues: Slide Out Wiring

RV.Net Open Roads Forum: Tech Issues: Slide Out Wiring www.rv.net

slide switch rv wiring wire sunline diagram double jayco single jr solar tweetys 2004

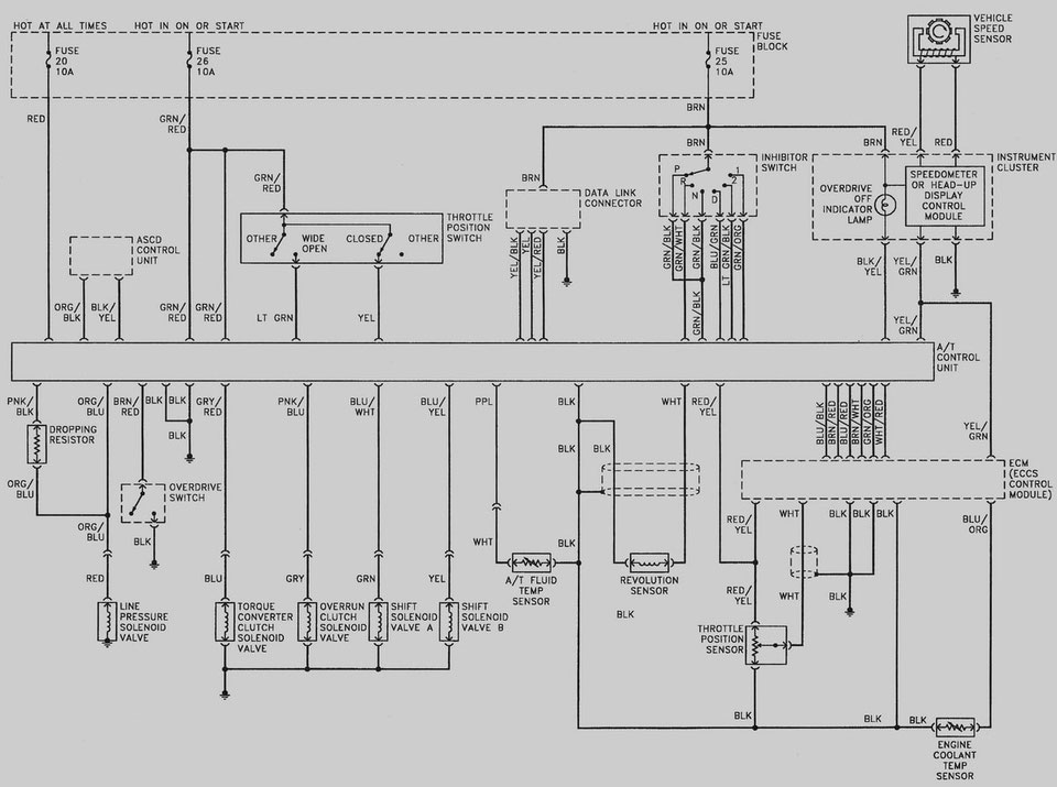
300zx Turbo Diagram Wiring Schematic | Schematic And Wiring Diagram

300zx Turbo Diagram Wiring Schematic | schematic and wiring diagram schematicandwiringdiagram.blogspot.com

300zx publ atsg

17 Best Hilux Starter Wiring Diagram Collections - Tone Tastic

17 Best Hilux Starter Wiring Diagram Collections - Tone Tastic tonetastic.info

[EE_6805] Toyota 4 Wheel Drive Actuator Switch Schematic Wiring

[EE_6805] Toyota 4 Wheel Drive Actuator Switch Schematic Wiring opogo.basi.bemua.cette.mohammedshrine.org

apdty actuator 4runner engage replaces t100 pickup

2004 Toyota Sienna Wiring Diagram Pics - Wiring Diagram Sample

2004 Toyota Sienna Wiring Diagram Pics - Wiring Diagram Sample faceitsalon.com

sienna toyota wiring diagram imageservice cloud resources 2004 source

NISSAN ALTIMA Wiring Diagrams - Car Electrical Wiring Diagram

NISSAN ALTIMA Wiring Diagrams - Car Electrical Wiring Diagram car-diagrams.jimdofree.com

Hilux Starter Wiring Diagram Best Repair Guides Wiring Diagrams Wiring

Hilux Starter Wiring Diagram Best Repair Guides Wiring Diagrams Wiring tonetastic.info

hilux toyota diagrams isis mack

2000 Toyota Tundra Wiring Diagram - Diagram Resource Gallery

2000 Toyota Tundra Wiring Diagram - Diagram Resource Gallery revepinphdi.blogspot.com

wiring 4runner tacoma tundra entune corolla t4rs seem

Toyota Truck 3rd Member Compatability? - Pirate4x4.Com : 4x4 And Off

Toyota truck 3rd member compatability? - Pirate4x4.Com : 4x4 and Off www.pirate4x4.com

toyota locker truck 3rd member housing 4runner 4x4 electric axle modifications compatability req thirds

Slide switch rv wiring wire sunline diagram double jayco single jr solar tweetys 2004. Hilux starter wiring diagram best repair guides wiring diagrams wiring. 300zx turbo diagram wiring schematic