two motor electric cart diagram

Sliding Gates What's Needed. 9 Pics about Sliding Gates What's Needed : BOTTOM COWLING - 2000 Yamaha Outboard 200hp VX200TLRY | Crowley Marine, switches - Circuit with reversing polarity and two microswitches and also COWLING, SN 0R548601 AND UP - 2005 Mariner Outboard 8 [EH 4] 7F08301TB.

Sliding Gates What's Needed

Sliding Gates What's Needed www.grantsautomation.com.au

sliding gates gate automatic rolling track driveway wheels metal motorised layout typical bottom needed

COMPLETE TROLLING MOTOR(MODEL T34) (12 VOLT) - 2004 MotorGuide 12V

COMPLETE TROLLING MOTOR(MODEL T34) (12 VOLT) - 2004 MotorGuide 12V www.crowleymarine.com

trolling motor motorguide parts t34 volt complete 12v section use crowleymarine mercury

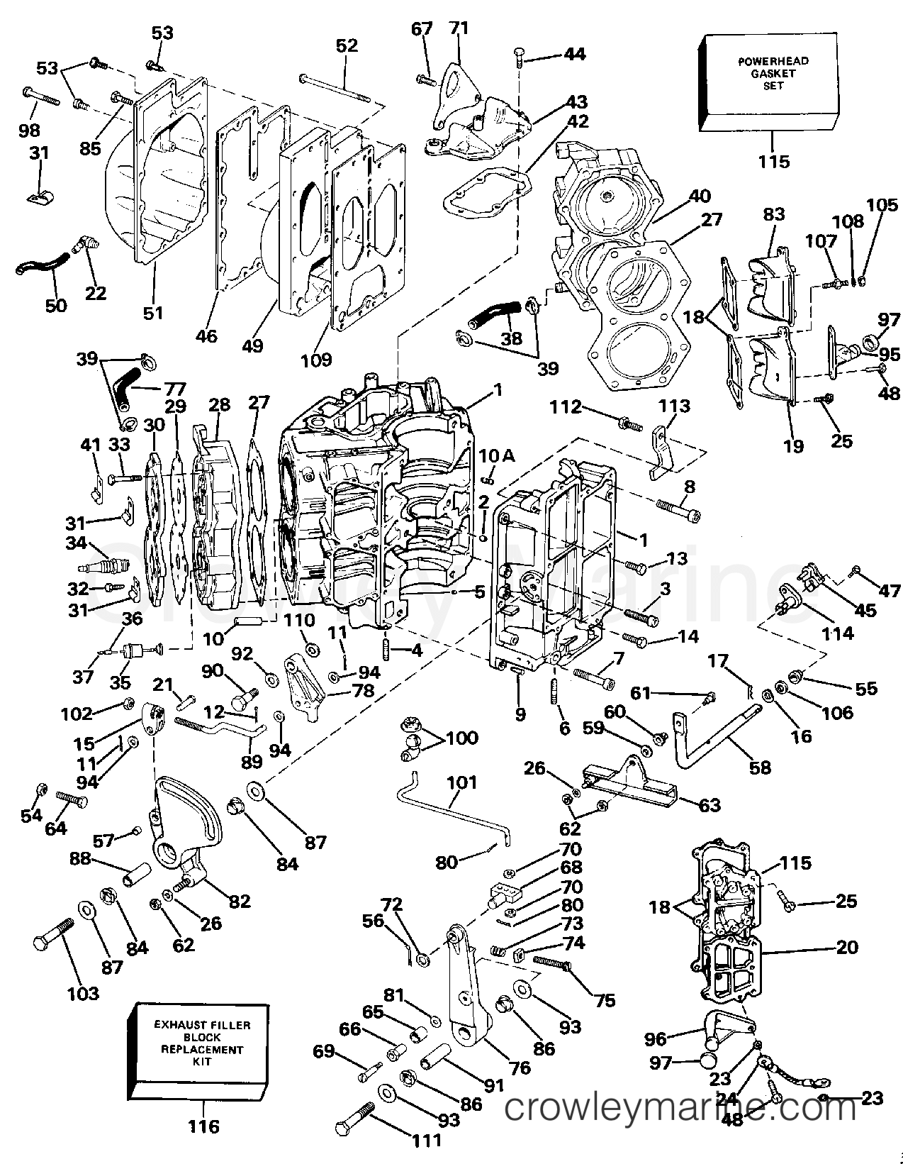
CYLINDER & CRANKCASE - 1988 Johnson Outboards 90 J90TLCCA | Crowley Marine

CYLINDER & CRANKCASE - 1988 Johnson Outboards 90 J90TLCCA | Crowley Marine www.crowleymarine.com

johnson crankcase cylinder 1988 parts section use

SOFT STARTER, ADXL... TYPE, WITH INTEGRATED BY-PASS RELAY. AUXILIARY

SOFT STARTER, ADXL... TYPE, WITH INTEGRATED BY-PASS RELAY. AUXILIARY www.lovatoelectric.com

lovato starter soft wiring diagram adxl electric

BOTTOM COWLING - 2000 Yamaha Outboard 200hp VX200TLRY | Crowley Marine

BOTTOM COWLING - 2000 Yamaha Outboard 200hp VX200TLRY | Crowley Marine www.crowleymarine.com

cowling yamaha 2000 bottom outboard 200hp section use marine oem parts

Installing Turn Signals : ElectricScooterParts.com Support

Installing Turn Signals : ElectricScooterParts.com Support support.electricscooterparts.com

wiring diagram trike support electricscooterparts ok let

Franklin QD Control Box | 1/2 HP - 230V

Franklin QD Control Box | 1/2 HP - 230V thepumpwarehouse.com

franklin 230v control box qd hp boxes

Switches - Circuit With Reversing Polarity And Two Microswitches

switches - Circuit with reversing polarity and two microswitches electronics.stackexchange.com

polarity circuit reversing switches switch reverse motor dc microswitches stack

COWLING, SN 0R548601 AND UP - 2005 Mariner Outboard 8 [EH 4] 7F08301TB

COWLING, SN 0R548601 AND UP - 2005 Mariner Outboard 8 [EH 4] 7F08301TB www.crowleymarine.com

mercury outboard hp parts diagram motor mariner marine cowling stroke list 2006 catalog efi horsepower 2005 manual sn 25hp engine

Mercury outboard hp parts diagram motor mariner marine cowling stroke list 2006 catalog efi horsepower 2005 manual sn 25hp engine. Cylinder & crankcase. Complete trolling motor(model t34) (12 volt)