victron easy solar wiring diagram

Victron Mppt 10030 Wiring Diagram. 9 Pictures about Victron Mppt 10030 Wiring Diagram : Current Automation, Dünnschicht Module parallel an Laderegler für 24 Volt-Syste • Seite 2 and also Victron Mppt 10030 Wiring Diagram.

Victron Mppt 10030 Wiring Diagram

Victron Mppt 10030 Wiring Diagram peltorhearingprotectorsbest.blogspot.com

diagram ctek victron mppt peltorhearingprotectorsbest

2011 Kia Sorento Radio Wiring Diagram - 35

2011 Kia Sorento Radio Wiring Diagram - 35 fatihahpunyastorymemory.blogspot.com

sorento

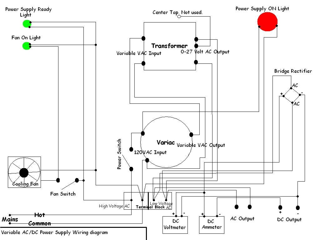
Current Automation

Current Automation www.rectifier.co.za

victron parallel inverter diagram wiring phase three power connection solar inverters operation kva capability output amps rectifier za

Victron Quattro Wiring Diagram - Circuit Diagram Images

Victron Quattro Wiring Diagram - Circuit Diagram Images circuitdiagramimages.blogspot.com

victron energy storage system diagram ess wiring quattro wind sun

280z Wiring Diagram - 35

280z Wiring Diagram - 35 fatihahpunyastorymemory.blogspot.com

wiring diagram harness stereo wire aftermarket 280z radio adapter within 280zx

Victron Mppt 10030 Wiring Diagram

Victron Mppt 10030 Wiring Diagram peltorhearingprotectorsbest.blogspot.com

victron mppt smartsolar etfs peltorhearingprotectorsbest 30a

Lutron Wiring Diagram | Free Wiring Diagram

Lutron Wiring Diagram | Free Wiring Diagram ricardolevinsmorales.com

diagram wiring lutron

Dünnschicht Module Parallel An Laderegler Für 24 Volt-Syste • Seite 2

Dünnschicht Module parallel an Laderegler für 24 Volt-Syste • Seite 2 www.photovoltaikforum.com

Dc Wiring Diagram / Demo Electrical System Layout With Victron 24 Volt

Dc Wiring Diagram / Demo Electrical System Layout With Victron 24 Volt wiringdiagrams3.blogspot.com

rcgroups powersupply 2028 solar

Wiring diagram harness stereo wire aftermarket 280z radio adapter within 280zx. Victron parallel inverter diagram wiring phase three power connection solar inverters operation kva capability output amps rectifier za. Diagram wiring lutron