vw polo 14 engine diagram

Volkswagen Workshop Manuals > Polo Mk5 > Power unit > 4-cyl. injection. 9 Pics about Volkswagen Workshop Manuals > Polo Mk5 > Power unit > 4-cyl. injection : VW POLO Sedan Wiring Diagrams - Car Electrical Wiring Diagram, Sprinter Engine Diagram and also Sprinter Engine Diagram.

Volkswagen Workshop Manuals > Polo Mk5 > Power Unit > 4-cyl. Injection

Volkswagen Workshop Manuals > Polo Mk5 > Power unit > 4-cyl. injection workshop-manuals.com

golf mk4 polo vw parts mk5 engine oil volkswagen system workshop lubrication assembly pipe diagram bcb 16v pressure cylinder code

Volkswagen Polo Mk3 - Fuse Box - Auto Genius

Volkswagen Polo mk3 - fuse box - Auto Genius www.autogenius.info

polo fuse box volkswagen vw layout light plate working number mk4 lights wiper reverse mk3 dashboard brake drive hand rear

Polo 6C Rain Light Sensor DIY Help - UK-POLOS.NET - THE VW Polo Forum

Polo 6C Rain Light Sensor DIY Help - UK-POLOS.NET - THE VW Polo Forum www.uk-polos.net

polo vw fuse light box polos sensor wiring rain 6c connector wire run

VW POLO Sedan Wiring Diagrams - Car Electrical Wiring Diagram

VW POLO Sedan Wiring Diagrams - Car Electrical Wiring Diagram car-diagrams.jimdofree.com

VW POLO Sedan Wiring Diagrams - Car Electrical Wiring Diagram

VW POLO Sedan Wiring Diagrams - Car Electrical Wiring Diagram car-diagrams.jimdofree.com

Sprinter Engine Diagram

Sprinter Engine Diagram hestiahelper.blogspot.com

2b1

Volkswagen Workshop Manuals > Polo Mk3 > Power Unit > 3-cylinder Diesel

Volkswagen Workshop Manuals > Polo Mk3 > Power unit > 3-cylinder diesel workshop-manuals.com

polo fabia mk3 engine skoda cooling system parts mk1 mk2 tdi coolant diesel hose volkswagen workshop manuals components assembly cylinder

Oil System - Engine - Type 2 Bay - Volkswagen | Heritage Parts Centre UK

Oil System - Engine - Type 2 Bay - Volkswagen | Heritage Parts Centre UK www.heritagepartscentre.com

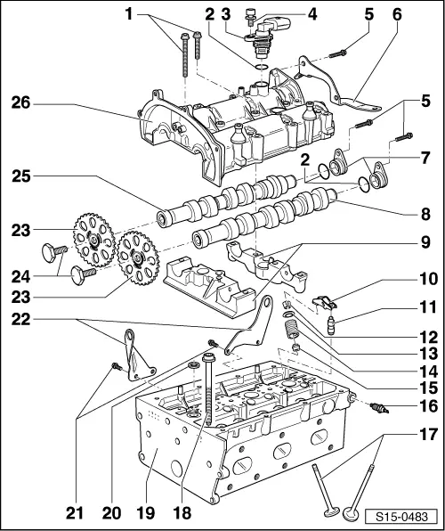
Skoda Workshop Manuals > Fabia Mk2 > Power Unit > 1.2/44; 47; 51; 55 KW

Skoda Workshop Manuals > Fabia Mk2 > Power unit > 1.2/44; 47; 51; 55 kW workshop-manuals.com

polo workshop manuals engine fabia cylinder head mk2 volkswagen skoda valve mk5 bme torque cgpa bzg unit engines power manual

Vw polo sedan wiring diagrams. Polo 6c rain light sensor diy help. Oil system