snowblower electric start diagram

Toro 38518, CCR 3650 GTS Snowthrower, 2005 (SN 250000001-250999999. 9 Images about Toro 38518, CCR 3650 GTS Snowthrower, 2005 (SN 250000001-250999999 : Toro Snowblower Model S-200 38120 Serial # 5505893 | DIY Forums, Toro 38518, CCR 3650 GTS Snowthrower, 2005 (SN 250000001-250999999 and also MURRAY SNOW THROWER Parts | Model 621450X4 | Sears PartsDirect.

Toro 38518, CCR 3650 GTS Snowthrower, 2005 (SN 250000001-250999999

Toro 38518, CCR 3650 GTS Snowthrower, 2005 (SN 250000001-250999999 www.jackssmallengines.com

toro ccr 3650 parts diagram 2005 snowthrower gts sn assembly engine frame

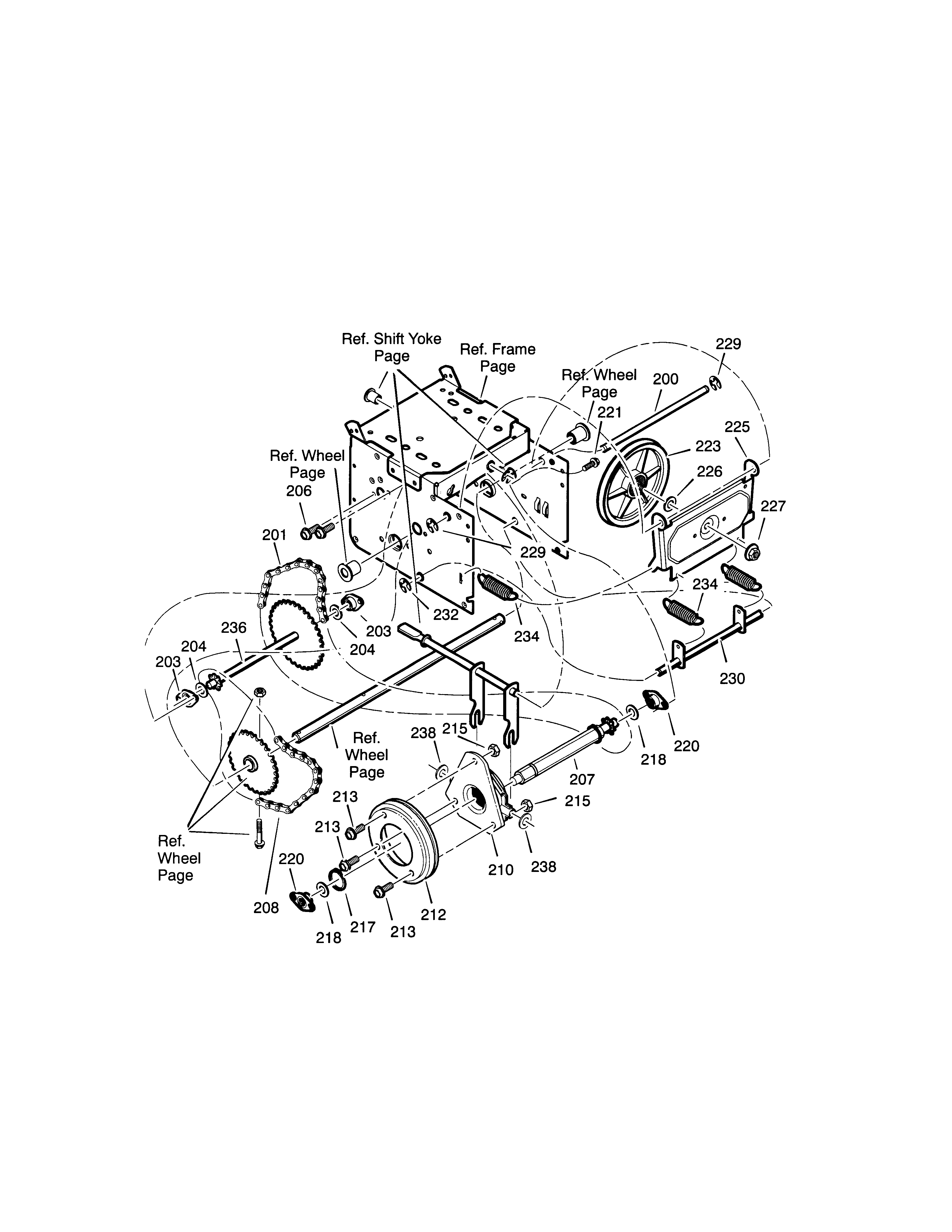
Craftsman Model 536887992 Snowthrower, Gas Genuine Parts

Craftsman model 536887992 snowthrower, gas genuine parts www.searspartsdirect.com

craftsman parts drive snowthrower gas

Signature G2484-010 Gas Snowblower Parts | Sears PartsDirect

Signature G2484-010 gas snowblower parts | Sears PartsDirect www.searspartsdirect.com

signature assembly wheels gas snowthrower

MURRAY SNOW THROWER Parts | Model 621450X4 | Sears PartsDirect

MURRAY SNOW THROWER Parts | Model 621450X4 | Sears PartsDirect www.searspartsdirect.com

snowblower thrower

Murray 621450X4 Gas Snowblower Parts | Sears PartsDirect

Murray 621450X4 gas snowblower parts | Sears PartsDirect www.searspartsdirect.com

snowblower thrower

Toro Snowblower Model S-200 38120 Serial # 5505893 | DIY Forums

Toro Snowblower Model S-200 38120 Serial # 5505893 | DIY Forums www.diyforums.net

toro carburetor diagram 200 snowblower parts snowthrower engine serial fixing thru sn 1980 units unit type diagrams diyforums

Noma G2474010 Gas Snowblower Parts | Sears PartsDirect

Noma G2474010 gas snowblower parts | Sears PartsDirect www.searspartsdirect.com

noma snowblower parts assembly gas control single hand diagram snowthrower

Ariens 932029 (000101 - 005149) ST824, 8hp Tec., 24" Blower Parts

Ariens 932029 (000101 - 005149) ST824, 8hp Tec., 24" Blower Parts www.jackssmallengines.com

ariens blower belt parts drive diagram st824 manual 8hp tec sno diagrams unable disabled javascript cart wiring

I Have A Yard Machines, 8 Hp, 24 Inch Snowblower - It Does Now Start. I

I have a Yard machines, 8 hp, 24 inch snowblower - It does now start. I www.justanswer.com

yard engine hp machines inch snow blower start snowblower plug spark oil ignition does key

Snowblower thrower. Signature g2484-010 gas snowblower parts. Craftsman model 536887992 snowthrower, gas genuine parts